APPELEZ-NOUS

+86-18106653002

ENVOYEZ-NOUS UN EMAIL

DEMANDE DE DEMANDE

Des produits de haute qualité peuvent être achetés
Maison » Des produits » Dentons et adaptateur » Dents de godet Caterpillar » Porter des pièces portez des beignets DLP-1994

catégorie de produit

catégorie de produit

Porter des pièces portez des beignets DLP-1994

État de disponibilité:
Quantité:
facebook sharing button
twitter sharing button
line sharing button
wechat sharing button
linkedin sharing button
pinterest sharing button
whatsapp sharing button
sharethis sharing button
  • Godet d'excavateur

  • Fouille

  • CE

  • Nouveau

  • DLP-1994

  • Fonderie

1. Description :
Nom : Porter des beignets DLP-1994
Descriptifs :
Matériau : fer blanc Cr et acier doux.
Dureté : HRC63

Facile à découper – vous permettant de personnaliser la protection selon différentes spécifications
Facile à plier – offre une protection sur une surface profilée.
Utilisez des barres chocky avec une plaque de support pré-encochée.
Disponible en 5 tailles – avec plaque de support standard ou pré-entaillée.

Applications:
Bandes d'usure du godet.
Remplace le revêtement dur pour les tarières, les têtes de forage directionnelles, le forage de fondations, le forage de forage surélevé.
Doublures de pales de ventilateur.
Palettes, pointe et grattoirs du moulin à carlin.
Industrie du recyclage.
Patins de raboteuse et protecteurs de pics.
Remplace le revêtement dur pour les corps de pompe et les roues.

2. Notre gamme de produits
Pièces d'usure Wear Donuts DLP-1994 Pièces d'usure

3. Articles populaires pour référence :
Pièces d'usure Wear Donuts DLP-1994 Pièces d'usure
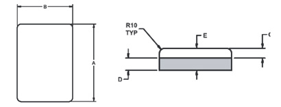
Numéro de pièce. Un (mm) B (mm) C (mm) D (mm) E (mm) poids (kg)
DLP-1920 75 25 17 8 25 0.7
DLP-1921 100 50 17 8 25 1.1
DLP-1994 100 70 24 8 32 1
DLP-2196 130 80 15 8 23 1.3
DLP-4771 148 108 25 10 35 2.3
Pièces d'usure Wear Donuts DLP-1994 Pièces d'usure
Numéro de pièce. Un (mm) B (mm) C (mm) D (mm) E (mm) poids (kg)
DLP4 300 38 25 8 33 3
DLP295 153 38 25 8 33 1.6
DLP508 190 50 20 10 30 2.3
DLP125 230 50 38 12 50 4.6
DLP1101 150 50 40 10 50 3
DLP528 150 75 40 10 50 4.5
DLP619 150 75 50 10 60 5.3
Pièces d'usure Wear Donuts DLP-1994 Pièces d'usure
Partie # Un (mm) B (mm) C (mm) D (mm) E (mm) Poids (kg
BS 413 200 150 20 25 45 10.5
BS 412 250 150 20 25 45 13.1
BS 414 250 250 20 25 45 22

4. Notre chaîne de production :
Pièces d'usure Wear Donuts DLP-1994 Pièces d'usure


5.Informations sur l'entreprise

Ningbo Beneparts Machinery co., Ltd en tant que fournisseur fiable de pièces GET, offrant une gamme complète de pièces de rechange adaptées à tous les types de machines de terrassement qui s'appliquent à l'exploitation minière, à la construction, à l'agriculture, etc. Comme l'excavatrice, le bulldozer, le chargeur, la pelle rétro, le grattoir, le concasseur et bientôt.Les pièces de rechange que nous fournissons, y compris les pièces moulées comme les dents de godet, l'adaptateur, le carénage à lèvres, le protecteur, la tige du ripper, etc. et les pièces forgées comme les dents de godet forgées, le tranchant, les lames de niveleuse, le segment, l'embout, etc. ainsi que les pièces résistantes à l'usure. comme les barres de choc, les boutons d'usure, la plaque d'usure combinée en chrome, etc. et les pièces assorties comme la goupille, la rondelle, les boulons et les écrous, etc.

Beneparts dispose d'une équipe de vente très solide et d'un fabricant étroitement coopéré en matière de haute technologie et axé sur la qualité avec plus de 28 ans d'expérience.

Nos avantages sont quadruples :
1. équipe technique solide, et nous avons la capacité de formuler des matériaux pour répondre aux besoins spécifiques des projets de nos clients.
2. Système de surveillance de la qualité parfaite et gamme complète d'installations avancées, comme la machine d'analyse de composants, la machine à impact, la machine de résistance à la traction, etc.
3. Riche expérience dans les affaires OEM/ODM, nous pouvons développer des articles selon les dessins et les échantillons si vous avez des exigences spécifiques.
4. Gestion efficace, nous pouvons raccourcir les délais de livraison et nous disposons d'un bon service après-vente qui maintient une coopération commerciale à long terme avec nos clients.

Notre engagement envers vous est de toujours fournir un service client rapide, pratique et efficace.
Impatient de vous rencontrer!




sur: 
En vertu d'un: 

Suivez-nous

Ningbo Beneparts Machinery Co., Ltd (BP) est un fabricant professionnel spécialisé dans la production d'outils d'engagement au sol depuis plus de 30 ans.

Machines

Contactez-nous

sales2@beneparts.cn
sales@beneparts.cn
+86-18106653002
+86-18106653002
No.1107-2609 Tiantong North Road, Ningbo, Chine.315100
message de congé
CONTACTEZ-NOUS
Droits d'auteur ©️ 2023 Ningbo Beneparts Machinery Co., Ltd.