1. Description : Nom : Barres d'usure DLP125
Descriptifs :
Matériau : fer blanc Cr et acier doux.
Dureté : HRC63
Facile à découper – vous permettant de personnaliser la protection selon différentes spécifications
Facile à plier – offre une protection sur une surface profilée.
Utilisez des barres chocky avec une plaque de support pré-encochée.
Disponible en 5 tailles – avec plaque de support standard ou pré-entaillée.
Applications:
Bandes d'usure du godet.
Remplace le revêtement dur pour les tarières, les têtes de forage directionnelles, le forage de fondations, le forage de forage surélevé.
Doublures de pales de ventilateur.
Palettes, pointe et grattoirs du moulin à carlin.
Industrie du recyclage.
Patins de raboteuse et protecteurs de pics.
Remplace le revêtement dur pour les corps de pompe et les roues.
2. Notre gamme de produits
3. Articles populaires pour référence :

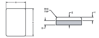
Numéro de pièce. | Un (mm) | B (mm) | C (mm) | D (mm) | E (mm) | poids (kg) |
DLP-1920 | 75 | 25 | 17 | 8 | 25 | 0.7 |
DLP-1921 | 100 | 50 | 17 | 8 | 25 | 1.1 |
DLP-1994 | 100 | 70 | 24 | 8 | 32 | 1 |
DLP-2196 | 130 | 80 | 15 | 8 | 23 | 1.3 |
DLP-4771 | 148 | 108 | 25 | 10 | 35 | 2.3 |
Numéro de pièce. | Un (mm) | B (mm) | C (mm) | D (mm) | E (mm) | poids (kg) |
DLP4 | 300 | 38 | 25 | 8 | 33 | 3 |
DLP295 | 153 | 38 | 25 | 8 | 33 | 1.6 |
DLP508 | 190 | 50 | 20 | 10 | 30 | 2.3 |
DLP125 | 230 | 50 | 38 | 12 | 50 | 4.6 |
DLP1101 | 150 | 50 | 40 | 10 | 50 | 3 |
DLP528 | 150 | 75 | 40 | 10 | 50 | 4.5 |
DLP619 | 150 | 75 | 50 | 10 | 60 | 5.3 |
Partie # | Un (mm) | B (mm) | C (mm) | D (mm) | E (mm) | Poids (kg |
BS 413 | 200 | 150 | 20 | 25 | 45 | 10.5 |
BS 412 | 250 | 150 | 20 | 25 | 45 | 13.1 |
BS 414 | 250 | 250 | 20 | 25 | 45 | 22 |
4. Notre entrepôt :
5.Informations sur l'entreprise Ningbo Beneparts Machinery co., Ltd en tant que fournisseur fiable de pièces GET, offrant une gamme complète de pièces de rechange adaptées à tous les types de machines de terrassement qui s'appliquent à l'exploitation minière, à la construction, à l'agriculture, etc. Comme l'excavatrice, le bulldozer, le chargeur, la pelle rétro, le grattoir, le concasseur et bientôt.Les pièces de rechange que nous fournissons, y compris les pièces moulées comme les dents de godet, l'adaptateur, le carénage à lèvres, le protecteur, la tige du ripper, etc. et les pièces forgées comme les dents de godet forgées, le tranchant, les lames de niveleuse, le segment, l'embout, etc., ainsi que les pièces résistantes à l'usure. comme les barres de choc, les boutons d'usure, la plaque d'usure combinée en chrome, etc. et les pièces assorties comme la goupille, la rondelle, les boulons et les écrous, etc.
Beneparts dispose d'une équipe de vente très solide et d'un fabricant étroitement coopéré en matière de haute technologie et axé sur la qualité avec plus de 28 ans d'expérience.
Nos avantages sont quadruples :
1.équipe technique solide, et nous avons la capacité de formuler des matériaux pour répondre aux besoins spécifiques des projets de nos clients.
2. Système de surveillance de la qualité parfaite et gamme complète d'installations avancées, comme la machine d'analyse de composants, la machine à impact, la machine de résistance à la traction, etc.
3. Riche expérience dans les affaires OEM/ODM, nous pouvons développer des articles selon les dessins et les échantillons si vous avez des exigences spécifiques.
4. Gestion efficace, nous pouvons raccourcir les délais de livraison et nous disposons d'un bon service après-vente qui maintient une coopération commerciale à long terme avec nos clients.
Notre engagement envers vous est de toujours fournir un service client rapide, pratique et efficace.
Impatient de vous rencontrer!